Eladó tanya - Nagykőrös (73974484)
ELADÓ INGATLANOK
KIADÓ INGATLANOK
CSERE INGATLANOK
KÜLFÖLDI INGATLANOK
RÉSZLETES KERESÉS
INGATLAN HÍREK
HIRDETÉS FELADÁS
BELÉPÉS
REGISZTRÁCIÓ
hirdetés 1. fotó
hirdetés 2. fotóhirdetés 3. fotó
hirdetés 4. fotóhirdetés 5. fotó
hirdetés 6. fotó
+ 22 fotó
hirdetés 7. fotó
+ 19 fotó
hirdetés 7. fotóhirdetés 8. fotóhirdetés 9. fotóhirdetés 10. fotóhirdetés 11. fotóhirdetés 12. fotóhirdetés 13. fotóhirdetés 14. fotóhirdetés 15. fotóhirdetés 16. fotóhirdetés 17. fotóhirdetés 18. fotóhirdetés 19. fotóhirdetés 20. fotóhirdetés 21. fotóhirdetés 22. fotóhirdetés 23. fotóhirdetés 24. fotóhirdetés 25. fotó

Ingatlan adatai

  • Eladó vagy kiadó:Eladó
  • Település:Nagykőrös
  • Kategória:Mezőgazdasági ingatlan
  • Alkategória:Tanya
  • Alapterület:nincs megadva
  • Telekterület:nincs megadva
  • Csere is:Nem
  • Hirdető:Cég
  • Élő videón megtekinthető:Nem
  • Fűtés:nincs megadva
  • Bútorozottság:nincs megadva
  • Fényviszony:nincs megadva
  • Tájolás:nincs megadva
  • Internet:nincs megadva
  • Klíma:Van
  • Akadálymentesített:nincs megadva
  • Energiatanúsítvány:nincs megadva
  • Villany:nincs megadva
  • Víz:nincs megadva
  • Gáz:nincs megadva
  • Csatorna:nincs megadva
  • Kapcsolatfelvétel
Király Petra
Király Petra
+36-(20)-415-8833
Mondd meg a hirdetőnek, hogy a megveszLAK-on találtad a hirdetést.
Referencia szám: M322861
Érdekel kedvezményes lakáshitel ajánlat is
Az ASZF-et és az Adatkezelési tájékoztatót elfogadom

Hitel ajánlatok

 

Ingatlan hirdetés leírása

Eladó Ház, Nagykőrös


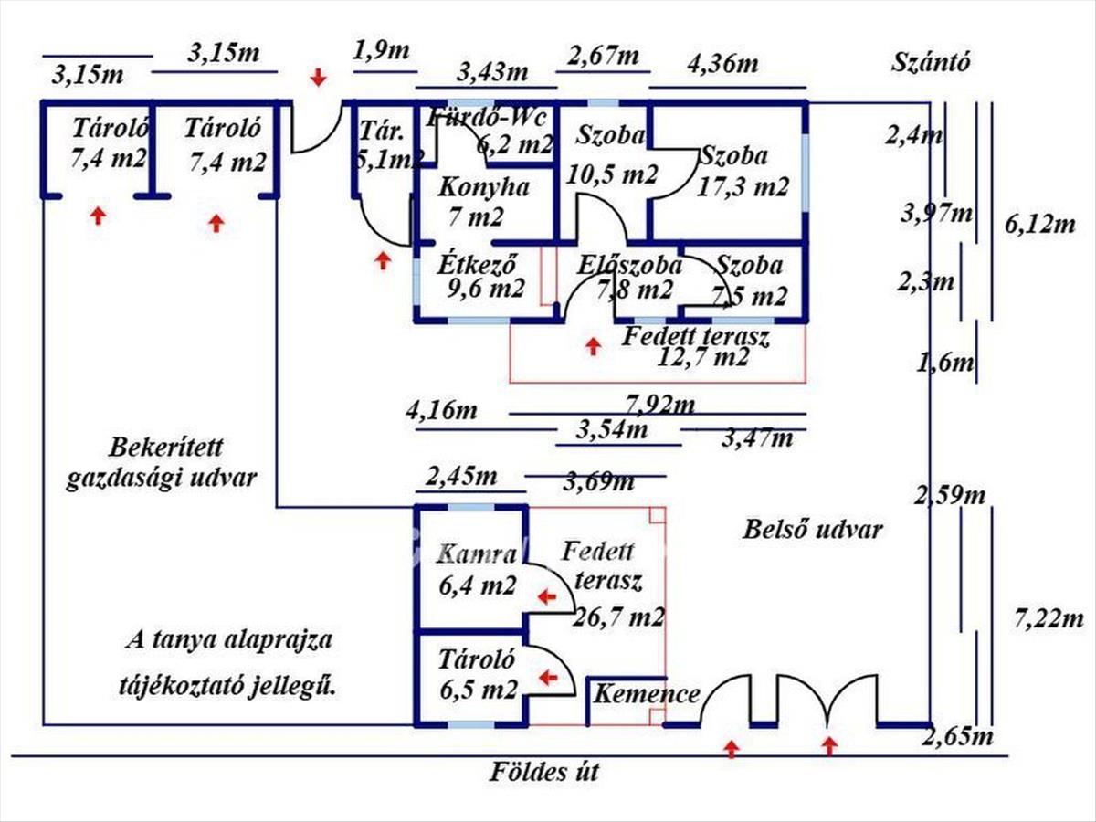
Pest vármegye, Nagykőrös, Tázerdő dűlőben 66 m2 hasznos nettó alapterületű tanya 59 m2 melléképülettel 4600 m2 nagyságú telken eladó! Az ingatlan külterületi besorolású, kivett tanya és szántó megnevezésű. Az épület-együttes teljes átépítésen és felújításon esett át. Az 1963-ban épített tanya vegyes falazatú, valamint vasvázon szendvics panel falazattal készült. a homlokzat kőporozásra előkészített, részben 10 cm szigeteléssel ellátott. a födém stukatoros fa szerkezettel, a tető fából készült, héjazata hullámlemez és égetett cserepezést kapott. a külső nyílászárók és a bejárati ajtó hőszigetelt műanyagra cseréltek, szúnyoghálóval ellátottak. a belső terek elválasztására harmónika ajtók szolgálnak. a komfortos lakóépületben két szoba, egy félszoba, egy konyha, egy étkező, egy fürdőszoba-WC helyiség, egy előszoba és egy 12 m2-es fedett terasz kapott helyet. Az ingatlanhoz tartozik még több melléképület, melyek jelenleg szakosított tárolásra hasznosulnak. Emellett épült egy 27 m2 nagyságú kerti tevékenységek végzésére alkalmas fedett terasz, kemencével és sütögetővel. a lakóegység helyiségei padlószőnyeg- és járólap burkolatot kaptak. a közművek közül a cserélt belső hálózatú egyfázisú villany (32 Amper), a pluszban vásárolt további egyfázisú (32 Amper) H-tarifával, Fi-relével és körökre rendezett kismegszakítóval, a fúrt kút házi vízművel, valamint az emésztő rendelkezésre állnak. Az otthon melegéről két klíma, elektromos törölköző-szárító, mobil klíma és falipanel, a melegvíz ellátásáról villanybojler gondoskodik. Az udvar parkosított, térkövezett, körben bekerített, melyben bográcsozó, grillező, kemence és 5 fős egyedi gyártású hinta is megtalálható. Gépjárművek behajtására kapubejáró, a védelem szempontjából kamera-rendszer biztosított. a belső bútorzatból a beépített konyha és a szobaszekrények a vételár részét képezhetik. Aszfaltozott főút 400 m, várostábla és az infrastruktúra 1200 méterre megtalálható, a tömegközlekedés a főút mentén elérhető.
A hirdetés tájékoztató jellegű, az ingatlanról pontos adatokat a megtekintést követően a tulajdonos által elmondottak alapján tudunk garantálni!
Az ingatlan jelenleg is lakott, birtokba adás a végkifizetést követően lehetséges.
A vásárlás finanszírozásában az OTP kedvezőbb kamatozású hitelkonstrukcióival és egyéb banki termékek lehetőségével tudunk segíteni. Az adásvételi szerződés lebonyolításához korrekt ügyvédi közreműködést tudunk ajánlani. Amennyiben felkeltettem érdeklődését, hívjon bizalommal! Eladó ingatlanokat keresünk meglévő és külföldi partnereink számára!
Érdeklődni : Király Petra 06204158833

Referencia szám: m322861-ml Hitel.hu - Hasonlítsa össze a bankok lakáshitel ajánlatait

Tetszett ez az eladó Nagykőrösi mezőgazdasági ingatlan? Hívd fel a hirdetőt most, és tudj meg mindent erről az eladó mezőgazdasági ingatlanról! Ha gondolod nézelődj tovább az eladó mezőgazdasági ingatlan Nagykőrös oldal hirdetései között.

Az eladó mezőgazdasági ingatlanok menüpontban további hirdetések között is böngészhetsz. Ha van kedved, akkor böngészhetsz a Király Petra összes hirdetése között, vagy akár a/az OTPip Kecskemét Nagykőrösi utca 13 - OTP Ingatlanpont Iroda összes hirdetése között is.

 
 

Neked ajánljuk, hogy könnyebben rátalálj a keresett ingatlanra

© megveszLAK.hu - Az egyszerűen jó ingatlan hirdetési oldal