Eladó üzlethelyiség - Vecsés
- INGYENES HIRDETÉS FELADÁS
Ingatlan adatai
- Eladó vagy kiadó:Eladó
- Település:Vecsés
- Kategória:Üzlethelyiség
- Alkategória:Utcafronton
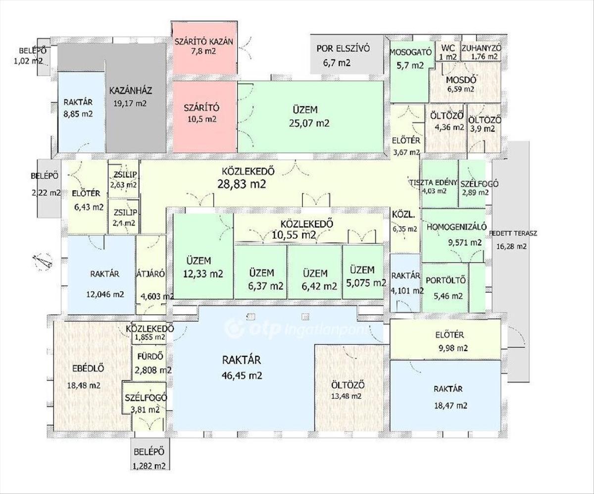
- Alapterület:364 m2
- Csere is:Nem
- Hirdető:Cég
- Élő videón megtekinthető:Nem
- Állapot:nincs megadva
- Hány szintes az ingatlan:nincs megadva
- Hányadik emeleti:Földszint
- Bútorozottság:nincs megadva
- Fényviszony:Jó
- Tájolás:nincs megadva
- Kilátás:nincs megadva
- Internet:nincs megadva
- Klíma:Van
- Akadálymentesített:nincs megadva
- Energiatanúsítvány:nincs megadva
- Kapcsolatfelvétel

Szabó Mónika
+36-(70)-609-3007
Mondd meg a hirdetőnek, hogy a megveszLAK-on találtad a hirdetést.
Referencia szám: M326233
Hitel ajánlatok
Ingatlan hirdetés leírása
Eladó Üzlethelyiség, Vecsés
Eladó gmp minősítésű gyógyszeripari üzem és gyógyszertár Vecsés központjában!
Vecsés központi, frekventált elhelyezkedésű területén eladásra kínálunk egy összesen 364, 4 m? Alapterületű, önálló telken elhelyezkedő, komplex gyógyszeripari létesítményt, amely gyógyszertárként és egyben tablettázó üzemként is funkcionál.
Az ingatlan kiváló lehetőséget kínál étrend-kiegészítők, tabletták és gyógyhatású készítmények gyártására, teljes mértékben kialakított és minősített gyártási infrastruktúrával.
Főbb jellemzők:
- Érvényes gmp engedély tabletta- és gyógyhatású készítmények gyártására 2028 szeptemberéig
- Rendelkezik iso 9001-es tanúsítványnál.
- Teljes üzem gmp minősítéssel rendelkezik
- D tisztasági besorolású gyártótér
- 5 elkülönített gyártóegység
- 4 különálló raktárhelyiség
- Kialakított személy- és anyagzsilip rendszer, a gmp előírásoknak megfelelően
- Az üzem része egy szárítókamra, amely egyszerre 3 kocsi befogadására képes. a berendezés kvalifikált és validált, szabályozható hőmérsékletű.
- Az üzemben található validált nyomásérzékelő rendszer, amelyet egy külső partner üzemeltet és tart karban
Műszaki felszereltség:
- Korszerű, ipari kivitelű, többpontos beépített porelszívó rendszer, amely biztonságos és folyamatos üzemeltetést biztosít
- Dedikált légtechnikai rendszer az üzemi területek ellátására (jelenleg működőképes, azonban korszerűsítése javasolt)
- Teljes épület klimatizált
- Ipari műanyag burkolattal ellátott padlózat
- Külső kamerarendszer a biztonságos működés érdekében
Gépészeti háttér:
A teljes üzem működését kiszolgáló gépház az alábbi rendszereket foglalja magában:
- Technikai levegőellátó rendszer
- Préslevegő ellátás az üzemi gépek működtetéséhez (kompresszor)
- Kazánrendszer, amely a használati melegvíz előállítását és a fűtést biztosítja
- a poranyagok kezelése miatt az üzemben nagy teljesítményű elszívórendszer került kiépítésre, amely ülepítő egységgel rendelkezik, így a működés során nem jut szennyező anyag a külvilágba
Egyéb adottságok:
- Az utcafronti bejáratnál 46, 5 m2-es üzlettér kialakítására alkalmas helyiség
- Önálló telek, kiváló megközelíthetőség
- Ideális választás gyógyszeripari, nutraceutikai vagy bérgyártási tevékenységhez
Az ingatlan komplex kialakítása és meglévő engedélyei révén azonnal hasznosítható, minimális átalakítással magas szintű gyártási tevékenység folytatására alkalmas.
További információért és megtekintés egyeztetéséhez kérjük, vegye fel velünk a kapcsolatot.
Referenciaszám: M326233
Referencia szám: m326233 Hitel.hu - Hasonlítsa össze a bankok lakáshitel ajánlatait
Tetszett ez az eladó Vecsési üzlethelyiség? Hívd fel a hirdetőt most, és tudj meg mindent erről az eladó üzlethelyiségről! Ha gondolod nézelődj tovább az eladó üzlethelyiség Vecsés oldal hirdetései között.
Az eladó üzlethelyiségek menüpontban további hirdetések között is böngészhetsz. Ha van kedved, akkor böngészhetsz a Szabó Mónika összes hirdetése között, vagy akár a/az OTPip Dunaharaszti Bocskai utca 10 - OTP Ingatlanpont Iroda összes hirdetése között is.

