Eladó átlagos állapotú ház - Tiszasüly
- INGYENES HIRDETÉS FELADÁS
Ingatlan adatai
- Eladó vagy kiadó:Eladó
- Település:Tiszasüly
- Kategória:Ház
- Alkategória:Családi ház
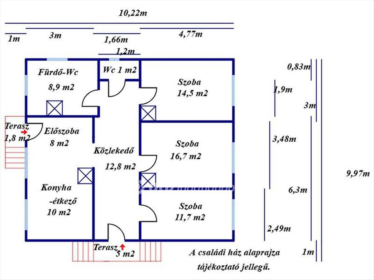
- Alapterület:84 m2
- Telekterület:1481 m2
- Csere is:Nem
- Hirdető:Cég
- Élő videón megtekinthető:Nem
- Építés éve:1985
- Szobaszám:3
- Állapot:Átlagos állapotú
- Hány szintes az ingatlan:Földszintes
- Tetőtér:nincs megadva
- Komfortosság:nincs megadva
- Pince:nincs megadva
- Parkolási lehetőség:Udvaron
- Fűtés:Egyéb
- Bútorozottság:nincs megadva
- Fényviszony:Közepes
- Tájolás:K
- Kilátás:nincs megadva
- Internet:nincs megadva
- Klíma:nincs megadva
- Akadálymentesített:nincs megadva
- Energiatanúsítvány:nincs megadva
- Villany:Telken belül
- Víz:Telken belül
- Gáz:Telken belül
- Csatorna:Utcában
- Kapcsolatfelvétel

Koltainé Szentpéteri E...
+36-(70)-374-2452
Mondd meg a hirdetőnek, hogy a megveszLAK-on találtad a hirdetést.
Referencia szám: M321356
Hitel ajánlatok
Ingatlan hirdetés leírása
Eladó Ház, Tiszasüly
Jász-Nagykun Szolnok vármegye, Tiszasüly, főút mellett 84 m2 nagyságú családi ház, 22 m2 melléképülettel 1481 m2-es telken eladó! Az 1980-as években épült családi ház beton alapon tégla falazattal, stukatoros fa födémmel és fa tetőszerkezeten égetett cserepezéssel készült, körben csatornával ellátott, homlokzata átlagos állapotú. Az ingatlan három szobából, egy konyha- étkezőből, egy előszobából, egy közlekedőből, egy fürdőszoba-WC helyiségből, egy különnyíló WC-helyiségből és a két bejárat elé épített teraszokból áll. a belső helyiségek padlószőnyeg- és járólap borítást kaptak. a telken egy beton alapon tégla falazatú és fa födémen hullámpala borítású 22 m2 nagyságú tároló is felépítésre került. a főépületben a közművekből a vezetékes víz-, a háromfázisú (3x16 Amper) villany-, valamint a gáz-ellátás telken belül, csatorna az utcában megtalálható. a házban a kombi gázkazán, a hőleadó radiátorok, a víz-csaptelepek, WC-tartályok leszerelésre kerültek, a villanykapcsolók, kismegszakítók és a vezetékek, gázvezeték- és szennyvíz-kiállások a helyükön vannak. Az aljzat és a fali burkolatok jó állapotúak. Az ingatlan a sorolt hiányosságok pótlásával, valamint egy egészségügyi meszeléssel gyorsan lakhatóvá tehető. Az épület egyéb gyors fűthetőségéhez négy falazott kéménnyel is rendelkezik. Az ingatlan oldalhatáron áll, előkerttel épült, a főút mellett kis forgalmú csendes, nyugodt környezetben helyezkedik el. Az aszfaltozott utcára a gépjárművek behajtására alkalmas kapubejáró van. a lakóház a Tisza szomszédságában helyezkedik el, a közelben pár száz méteren belül településközpont elérhető. Az ingatlan jogilag rendezett, tehermentes, kiürített. Birtokba adás a kifizetést követően azonnal lehetséges. a hirdetés tájékoztató jellegű, az ingatlanról pontos adatokat a megtekintést követően a tulajdonos által elmondottak alapján tudunk garantálni! a vásárlás finanszírozásában az OTP kedvezőbb kamatozású hitelkonstrukcióival, egyéb banki termékek lehetőségével tudunk segíteni, díjmentesen, sorban állás nélkül! Az adásvételi szerződés lebonyolításához korrekt ügyvédi közreműködést tudunk ajánlani. Amennyiben felkeltettem érdeklődését, hívjon bizalommal! Eladó ingatlanokat keresünk meglévő és külföldi partnereink számára! FIX 3% lakáshitelre megvehető
Tetszett ez az eladó Tiszasülyi átlagos állapotú 3 szobás családi ház? Hívd fel a hirdetőt most, és tudj meg mindent erről az eladó családi házról! Ha gondolod nézelődj tovább az eladó ház Tiszasüly oldal hirdetései között. Ennek az eladó háznak az ára 12000000 Ft és mivel az alapterülete 84 négyzetméter, ezért az átlagos négyzetméterára 142857 HUF/m2.
Az eladó házak menüpontban további hirdetések között is böngészhetsz. Ha van kedved, akkor böngészhetsz a Koltainé Szentpéteri Emőke összes hirdetése között, vagy akár a/az OTPip Nagykőrös Ceglédi út 14 - OTP Ingatlanpont Iroda összes hirdetése között is.

